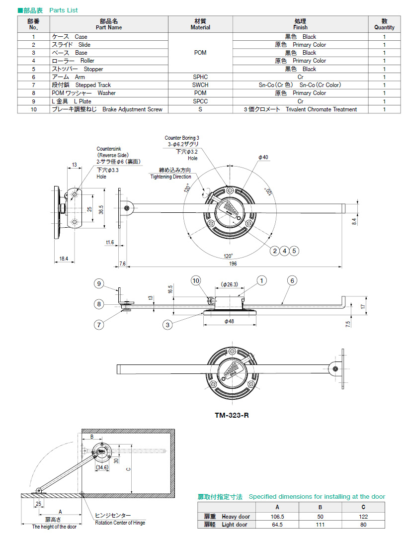
TM-323
(Friction Stay – One-way)

Characteristic
One-way type fiction stay using for light door.
Frictional force can be adjusted according to the size and weight of
the door.
Application
TV Rack / Low Height Door’s Rack
The figure shows L-type.
Please Install in accordance with the table of mounting dimensions
in Installation Instruction.
Maximum Braking power is adjusted when delivered. If you rotate
the adjustment screw through tightening direction, braking power may lower.
Please note that over-tightening can cause destruction.
Applicable Torque: 0.55N・m(5.6kg・cm)
Oil, dirt, etc. may adversely affect the braking power.
Wipe them out on surface of arm before use.
Install vertically.
Avoid injury during installation.
For more than two per door, place them opposite to equal sides. Asymmetrical installation may affect product function and lifetime.
Impact from falling doors when used without brakes may cause
damage to the product, door, or malfunction.
Do not use the product or door in a way that causes impact.
Braking performance may vary depending on the temperature.
Avoid use in environments of a large temperature difference.
Models: TM-323L, TM-323-R
Net Weight: 61g












